行业综述-电动汽车无线充电
一、电动汽车无线充电系统产业发展现状
当今世界正面临全球性的能源危机与日益严峻的环境保护压力,交通运输领域作为世界经济的命脉,正经受着高能源消耗与高环境污染的双重挑战。针对此问题,世界各国均发布并实施了各自的电动汽车战略。
我国也已经开始新能源汽车的推广和基础充电设施的建设进程。截至2016 年,我国电动汽车销量同比增长65%达到40.9 万辆,公共类充电机建设同比增长118%达到141254 个。
根据我国对新能源汽车发展的目标,到2020年,我国纯电动汽车和插电式混合动力汽车生产能力将达到200万辆、累计产销量超过500万辆,中国已成为全球最大的电动汽车市场。若充电设施与电动汽车按1:2的比例建设,无线充电技术渗透率为50%,按安装一套无线充电装置一万元计算,预计2020年仅我国无线充电的市场规模将达到百亿规模。
此外,据权威机构预测,2017年全球的无线充电市场将达73亿美元,2019年将突破100亿美元,而2015年还不足20亿美元,4年复合增速超过50%。预计随着技术提升及商用突破,无线充电将呈现广阔市场空间。
为了促进电动汽车无线充电系统产业的发展,国家发展改革委、国家能源局于2016年3月下发的《能源技术革命创新行动计划(2016-2030年)》中,要求到2020年突破电动汽车无线充电技术,以电动汽车无线充电为应用对象,研发高效率、低成本的无线充电系统,实现即停即充,甚至在行驶中实现动态充电。
在世界范围内,智能化和无人驾驶已成为电动汽车的重要发展方向。而无线充电系统更适用于无人驾驶的智能电动汽车,已成为解决电动汽车充电问题的有效手段和现实途径,受到了各大车厂的青睐。
丰田准备了插电式普锐斯车型作为试验车,在丰田汽车总部所在地——日本爱知县的10位车主住宅中进行试验。丰田希望无线充电系统可以在几年内量产面市。日产公布了关于一套无线充电系统的相关信息,该系统被形容为“未来加油站”;这套无线充电系统由日产和Foster + Partners公司共同开发;首款搭载车型为日产聆风。
奔驰、宝马研发电动汽车无线充电技术。奔驰已经在S级上进行测试,而宝马则应用到HEVi8上。奥迪推出充电效率90%的无线充电系统,这套系统的最大特点是供电线圈为可升降形式。
庞巴迪研发无线充电系统PRIMOVE,充电功率可达100kw以上,2015年将该系统应用在纯电动巴士无线充电中,在德国曼海姆、柏林、不伦瑞克市等地进行了运行。
韩国科学技术研究院(KAIST)针对电动汽车动态无线充电技术进行了深入研究,并于2013年起在龟尾市等多地进行测试应用。宝马BMW在2018款530e iPerformance款混动汽车上搭配了无线充电技术,该系统搭配了一块充电板,充电板与220伏电源相连,仅需3.5个小时就能充满9.4kWh的电池组,整套系统或将于2019年量产。
在国内从事电动汽车无线充电的企业主要有中兴新能源(ZTEV)、中惠创智(Zonecharge)、万安科技等。中兴新能源(ZTEV):中兴新能源(ZTEV)成立于2014年6月,是中兴通讯(ZTE)旗下的控股子公司。
ZTEV研发出电动汽车3-60kW大功率无线充电系列产品,为新能源智能网联汽车提供自动、自在、自由的汽车充电整体解决方案,并在成都、襄阳等地开展了示范运行。
中惠创智(Zonecharge)成立于2014年7月,致力于无线供电技术的研发与产业化运营。在烟台总部建有无线电能传输技术研发中心,在深圳公司建有电磁兼容标准化实验室。目前,公司旗下有专注低功率无线供电芯片研发生产的“泰沃”品牌,和专注高功率新能源汽车充电桩研发生产的“能度”品牌。
2016年7月,万安科技出资74%与Evatran在中国设立合资公司—浙江万安亿创电子科技有限公司,主要聚焦于无线充电业务。
二、无线充电系统技术概况
电动汽车无线充电系统主要由功率因数校正电路(PFC)、高频逆变器、无线能量传输线圈、补偿网络、高频整流桥组成。无线充电系统的结构简图如图1所示。功率因数校正电路将220V的交流市电转变为直流电,减小输入电流谐波;高频逆变器将直流电转变为高频交流电;无线能量传输线圈包括发射端线圈与接收端线圈,通过空间电磁场实现能量的无线传输;补偿网络调整发射端的电源特性,以及接收端的负载特性,以优化系统的传输效率、输出功率、软开关等特性;高频整流桥将接收端的交流电转变为直流电,并为动力电池进行供电。

图1 无线充电系统结构简图
1、功率因数校正电路
在中国,市电是电压为220V/50Hz的交流电。作为市电负载的电气产品阻抗特性存在三种状况:电容性、电感性和电阻性。其中,电阻性负载消耗有功功率(实际做功的功率),而容性和感性负载则消耗无功功率。为了使电气产品正常工作,作为能量源的市电则需要提供的总功率应为负载消耗的有功功率和无功功率之和。当负载消耗的无功功率越小,市电需提供的总功率也越小,从而市电的利用率就越大。
因此,为了实现市电利用率的最大化,在市电和市电负载之间需要增加功率因数校正电路,使得市电的输出负载特性接近纯阻性。常见的功率因数校正电路拓扑结构如图2所示。单相拓扑的功率因数校正电路主要应用于千瓦级的无线充电系统中,三相拓扑的功率因数校正电路主要应用于大功率的无线充电系统中。

(a)单相

(b)三相
图2 功率因数校正电路结构
2、高频逆变器
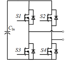
高频逆变器是原边电路中的核心部分之一,其主要作用是把PFC电路输出的直流电转换成高频交流电。该高频交流电的波形为方波,幅值与直流电电压幅值相等。逆变器基本的结构有:推挽型逆变器、半桥逆变器和全桥逆变器。推挽逆变器通常应用与小功率场合,在中大功率应用场合中,多采用半桥逆变器和全桥逆变器,其中全桥逆变器以其灵活的控制方式以及无需均压电容的优点得到了广泛应用。
因此,在电动汽车无线充电系统中,高频逆变器常采用全桥拓扑进行设计。采用全桥拓扑的高频逆变器如图3所示。

图3 高频逆变器拓扑结构
3、无线能量传输线圈
无线能量传输线圈包括发射线圈和接收线圈。发射线圈内的电流产生高频电磁场铰链到接收线圈,进而在接收线圈内产生感应电流提供给负载电能。无线充电系统线圈与传统变压器的本质区别,在于原副边耦合性能的差异,耦合系数k用来描述两个线圈之间的耦合程度(0<k<1),传统变压器耦合系数通常在0.95-0.98之间,而磁耦合无线能量传输系统的线圈属于松耦合,耦合系数一般在0.5以下,甚至不到0.1。线圈之间的耦合性能是无线充电系统的核心和基础,耦合性能越好,传输效率越高,系统的稳定性也越高。
目前,主流的线圈结构主要包括平面盘式螺旋线圈、交错并联式DD型线圈、串联式DD线圈和工字形线圈等结构,其各自形状如图4所示。

平面盘式螺旋线圈

工字形线圈

串联式DD线圈

交错并联式DD线圈
图4 主流线圈结构图
为了提高线圈间的耦合系数以及减小电磁辐射,在耦合线圈两侧需要添加电磁屏蔽材料。常见的电磁屏蔽结构类型如图5所示。


图5 电磁屏蔽结构
4、补偿网络
原副边补偿网络的主要作用是调整系统最大输出功率和传输效率的工作点。通过对原边补偿网络的设计,改变原边回路阻抗的实部和虚部,实现对系统最大输出功率点的调节;通过对副边补偿网络的设计,改变副边回路阻抗的实部和虚部,实现对系统最大传输效率点的调节。
根据线圈自感和补偿网络中电容的连接方式,简单的补偿网络拓扑可分为:串联型拓扑和并联型拓扑。这两种补偿方式结构简单,易于实现,但不能达到最优性能指标,只适合特定的场合。含有多个电容或多个电感的复合补偿网络,如LCC补偿,结构相对复杂,但能更好地进行回路阻抗的阻抗变换,保证系统性能指标。主要补偿网络结构如图6所示。

图6 补偿网络结构
5、高频整流桥
电动汽车无线充电系统中的高频整流桥通常采用全桥不控整流结构,其主要由四个二极管及一个滤波电容组成。它的作用是将副边接收线圈感应的交流电转化为直流电,经电容滤波后为电池供电。高频整流桥的电路如图7所示。

图7高频整流桥拓扑结构
三、无线充电技术研究进展概况
在无线充电技术方面,国外主要有新西兰奥克兰大学、美国橡树林国家实验室、韩国科学技术院、美国密歇根大学等国外科研机构投入了大量研究,并提出一些典型结构与设计方案。新西兰奥克兰大学团队提出了DD型线圈结构,并对其设计方法以及物理参数的影响进行了深入的研究,进而发展出DDQ等多种线圈结构类型。美国橡树林国家实验室(ORNL)从2009年开始开展了电动汽车用无线充电系统的研发工作,他们采用方形线圈(圆角)结构,2013年开发了输出6kW的电动汽车用无线充电系统,系统工作频率为22kHz,在15cm传输距离时达到了超过97%的线圈效率。韩国科学技术院团队同样采用方形圆角的线圈结构开发了额定输出功率为6.6kW的电动汽车用无线充电系统,在20cm传输距离条件下获得了超过95%的DC-DC效率。密歇根大学团队也采用DD型线圈,设计了DC-DC效率超过95%输出功率高达8kW的电动汽车用无线充电系统。
对于电动汽车无线充电技术,国内主要有中国科学院电工研究所、重庆大学、东南大学、天津工业大学、清华大学、哈尔滨工业大学等科研院所开展了相关研究工作。
中国科学院电工研究所是国内最早开展无线充电技术研究的单位之一,承担完成了多项无线充电方面的国家和北京市科技攻关项目,包括国家“新能源汽车”重点专项、863计划、支撑计划、自然科学基金和国际合作项目。
在电动汽车无线充电系统线圈设计、电容参数优化、系统电磁兼容性、系统动态特性、磁场分析与屏蔽等方面进行了深入研究;提出了一种无线充电系统优化方法,显著提高了系统的偏移容忍度;对电动汽车静止式和移动式无线充电系统的动态特性与切换瞬态特性进行了深入分析;研究了切换位置对移动式无线充电系统稳态输出和暂态冲击的影响,并提出了最佳导轨切换控制方案。
进而,研发了电动乘用车用3.3kW无线充电系统,传输距离为20cm,最高系统效率大于90%,并在北京新能源汽车股份有限公司的E150、E200、EU260等纯电动乘用车上进行了装车试用(如图8所示),目前正在开展电动汽车无线充电系统的小规模示范运行与推广。

图8 中科院电工所3.3kW无线充电系统
同时,还在20cm传输距离条件下开发了6.6kW无线充电系统,DC-DC最高效率达到94.2%;以及30kW无线充电系统,DC-DC最高效率达到95.3%。并且,开展了电动汽车移动式无线充电系统研发,试验平台效率达到90.8%。研发的系统参加了北京市科技博览会、全国科技周等展览和科普活动,获得了广泛好评。
重庆大学自动化学院孙跃团队于2000年左右开始磁感应式无线电能传输(WPT)技术的研究,围绕该技术的基本原理、高频谐振软开关变换器的建模方法及非线性行为分析、功率传输的稳定性等方面进行了较为深入的研究并在磁感应式WPT技术的推广和应用方面做了大量的工作,研制了多套实验样机。
东南大学黄学良科研团队,针对磁耦合谐振式无线电能传输系统特性,提出了功率调频控制技术、动态频率调控技术、电动汽车无线充电技术及无线充电电动汽车与电网互动技术等一系列关键技术,并搭建了电动汽车磁耦合谐振式无线充电装置,充电功率最高3kW,传输效率保持在90%。
天津工业大学针对磁耦合谐振式无线电能传输系统的频率分裂特性及系统建模方法等理论上作了一些研究,上探讨了磁耦合谐振式无线电能传输系统发生频率分裂现象的原因,并给出了相应的解决方法。
哈尔滨工业大学也针对磁耦合谐振式无线充电进行了相关实验和模型分析,得出了系统参数与系统充电效率之间的影响关系,并进一步研究了如何提高系统传输的功率、距离和效率。
南京航空航天大学则在磁感应式WPT的电路拓扑方面做了大量研究工作,提出了适应宽负载和耦合系数变化的S/SP补偿拓扑,在1.5kW的原理样机上验证了其恒电压增益的优异特性。
四、电动汽车无线充电系统标准相关进展
为了促进电动汽车无线充电系统产业化的进程,无线充电系统相关标准的制定已显得格外重要。在国外,国际电工委员会 IEC 在2015年8月发布了电动汽车无线充电系统通用要求,其通信要求、磁场无线充电技术要求两部分正在制定中。同时,国际标准化组织ISO正在制定电动汽车无线充电的互操作性及安全要求相关标准。
此外,美国标准化组织SAE已正式发布了一种电动车无线充电技术的行业标准SAE J2954,该标准旨在为插电式混动车以及纯电动车的无线充电技术制定规范,其对于不同的高度传输的功率、效率以及偏移时的效率都给了定义。
在国内,2015年9月29日国务院发布《关于加快电动汽车充电基础设施建设的指导意见》,明确了到2020年,基本建成适度超前、车桩相随、智能高效的充电基础设施体系,满足超过500万辆电动汽车的充电需求;建立较完善的标准规范和市场监管体系,形成统一开放、竞争有序的充电服务市场的工作目标,指导意见中明确要求制定无线充电等新型充电技术标准。
2015年4月30日国家标准委已计划立项《电动汽车无线充电系统通用要求》,2018年,由中国电力企业联合会牵头制定的《电动汽车无线充电电磁暴露限值与测试方法》、《电动汽车无线充电系统特殊要求》、《电动汽车车载充电机与无线充电设备通信协议》三项国家标准送审稿已通过审查。 2019年,已启动《电动汽车无线充电系统 互操作性要求及测试》等标准的编制工作。
五、小结
电动汽车充电设施是我国智能电网建设和绿色交通相结合的重要体现,无线充电技术在传导充电的基础上,为用户提供了更为简便的操作和更为安全的充电服务。无线充电设施作为充电设施的一个特殊应用,它利用高级测量技术、高效控制技术、高速通信技术,构建了充电设施与电网、与电动车辆、与服务用户之间的电力流、信息流、业务流实时互动的新型供用电关系。
无线充电技术应用的出现加快了充电设施企业的新一轮技术创新步伐,新技术发展、新产品研发、新成果应用,快速转化为产业生产能力。并带动上下游产业链的技术、装备、监管和能力的同步提升。同时也为企业扩大对外交流与协作,聚集发展要素,为科研单位,高等院校实现产学研结合,高科技成果转化提供了广泛的渠道。
版权声明:凡本网注明来源为"节能与新能源汽车年鉴"的,版权均属于本网,转载请注明来源。本网转载自其它媒体的信息,不代表本网观点,转载均有出处,对转载文章不存在侵权等法律问题。